TRITON Vertikálna lišta 9U, cena za 1ks
Popis a parametre
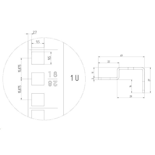
TRITON Vertikálna lišta 9U, cena za 1ks
Vertikálna lišta 9U.
jednotky sú označené laserovou značkou.
..
ParametrePridať do porovnania
Typ příslušenství
Podstavce, lišty
TRITON Vertikálna lišta 9U, cena za 1ks
Naposledy navštívené
















































































