TRITON Vertikálna lišta 27U, cena za 1ks
Popis a parametre
TRITON Vertikálna lišta 27U, cena za 1ks
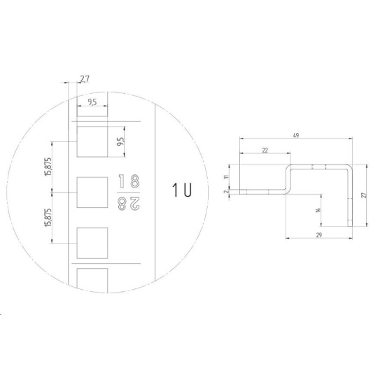
Zvislá lišta 27U.
jednotky sú označené laserovou značkou.
..
ParametrePridať do porovnania
Typ příslušenství
Podstavce, lišty
TRITON Vertikálna lišta 27U, cena za 1ks
Naposledy navštívené













































































